oder

oder

« Zurück zur Übersicht
Kontaktfeder-Typ-SM-18-CuBe

SM-18 Kontaktfedern

Merkmale

  • Materialstärke: 0,08mm
  • Material: Cu-Be

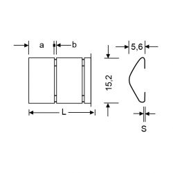
Technische Zeichnungen

Abmessungen in mm

Produktvarianten

Typen, Maße und weitere Daten
Art.-Nr.Typa (mm)b (mm)S (mm)L (mm)Datenblatt
62101156SM-188,7080,08398,0 Anfrage

Produktneuheiten

Unsere Services

Sie wünschen Beratung?

Wir freuen uns, wenn Sie mit uns Kontakt aufnehmen. Wir unterstützen Sie gerne!


THORA ist ISO 9001:2015 zertifiziert!