oder

oder

« Zurück zur Übersicht
Sicherungshalter-fuer-SMT-Bestueckung-Kupfer-Legierung

Sicherungshalter

Merkmale

  • für SMT-Bestückung
  • für Ø 5mm Sicherungen
  • Materialstärke: 0,3mm
  • Material: Kupfer-Legierung, verzinnt

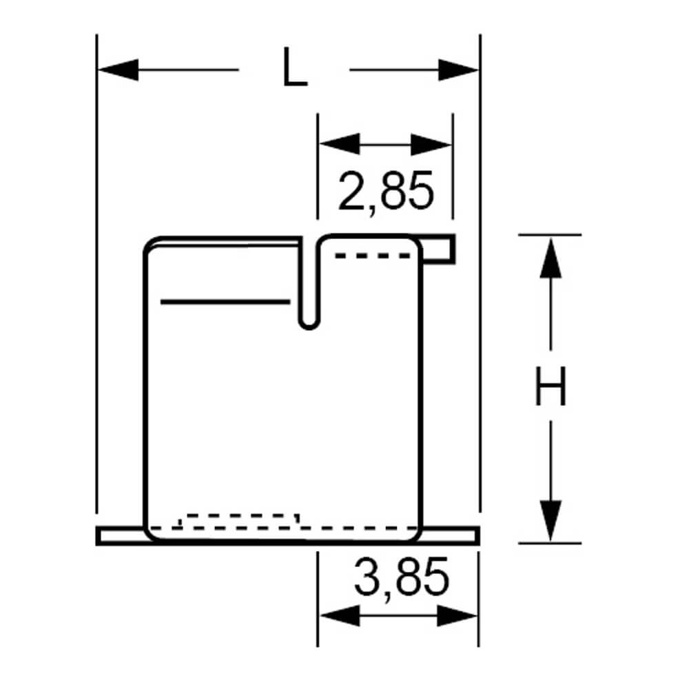
Technische Zeichnungen

Abmessungen in mm

Produktvarianten

Typen, Maße und weitere Daten
TypL (mm)W (mm)H (mm)Nennspannung / Nennstrompassend für SicherungRollengröße (Stck.)Datenblatt
SD01182-317,57,06,0250V / 5A10A1.000 Anfrage

Produktneuheiten

Unsere Services

Sie wünschen Beratung?

Wir freuen uns, wenn Sie mit uns Kontakt aufnehmen. Wir unterstützen Sie gerne!


THORA ist ISO 9001:2015 zertifiziert!