oder

oder

« Zurück zur Übersicht
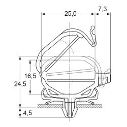
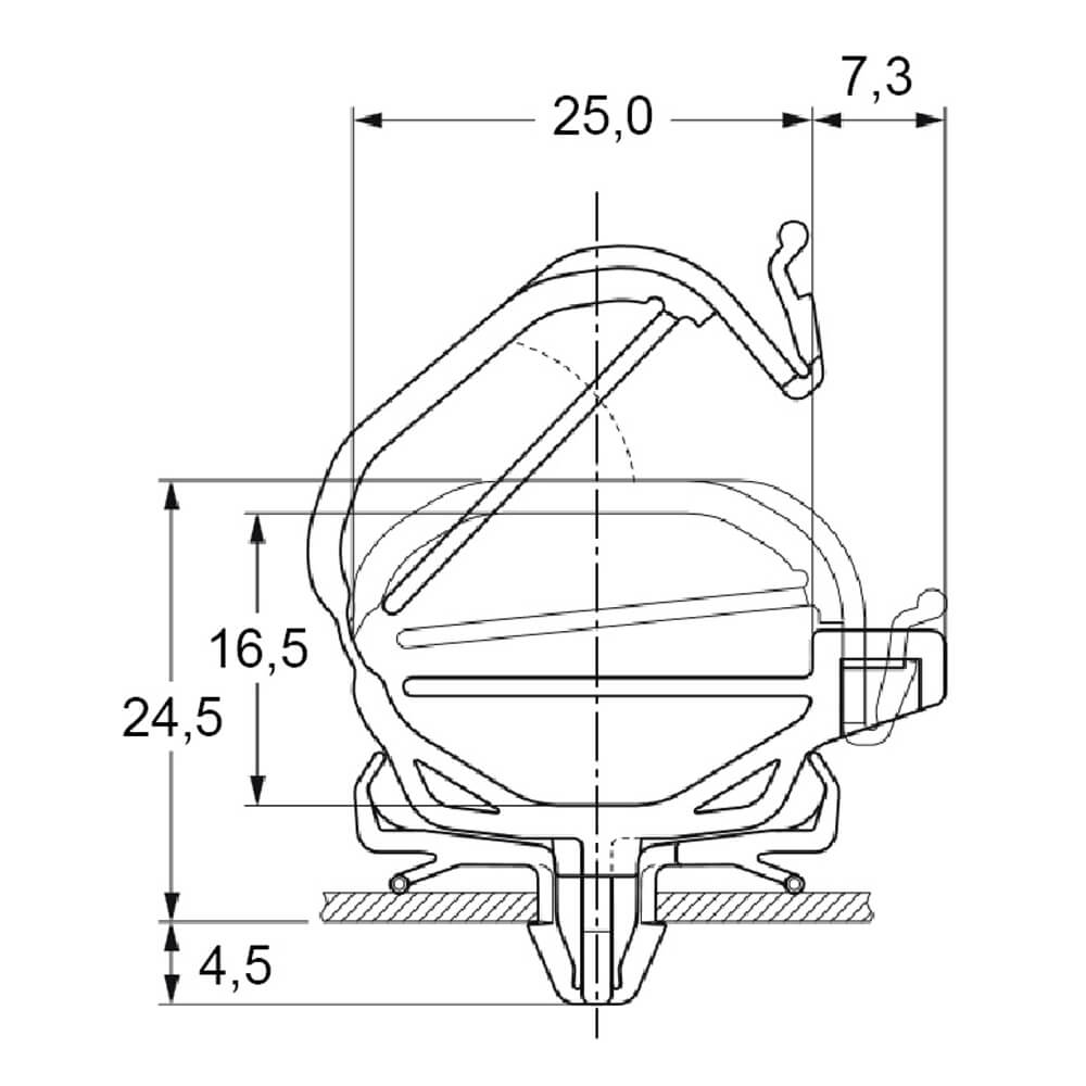
Kabelhalter-mit-Rastfuss-Typ-RWC-17SB-Nylon-schwarz

RWC-17SB Kabelhalter

Merkmale

  • Druck-Montage
  • von einer Seite montierbar und demontierbar
  • wiederverwendbar
  • für Plattenstärke 0,8mm - 2,0mm
  • Material: Nylon 66, UL94V-0
  • Farbe: schwarz

Technische Zeichnungen

Abmessungen in mm

Produktvarianten

Typen, Maße und weitere Daten
Art.-Nr.TypDatenblatt
2202411RWC-17SB Anfrage

Produktneuheiten

Unsere Services

Sie wünschen Beratung?

Wir freuen uns, wenn Sie mit uns Kontakt aufnehmen. Wir unterstützen Sie gerne!


THORA ist ISO 9001:2015 zertifiziert!