oder

oder

« Zurück zur Übersicht
Kabelhalter-mit-Rastfuss-Typ-RLSD-Nylon-weiss

RLSD Kabelhalter

Merkmale

  • Schiebe-Montage
  • von einer Seite montierbar und demontierbar
  • wiederverwendbar
  • extrem flacher Rastfuß
  • für Plattenstärke 0,8mm - 2,0mm
  • Material: Nylon 66, UL94V-0
  • Farbe: weiß

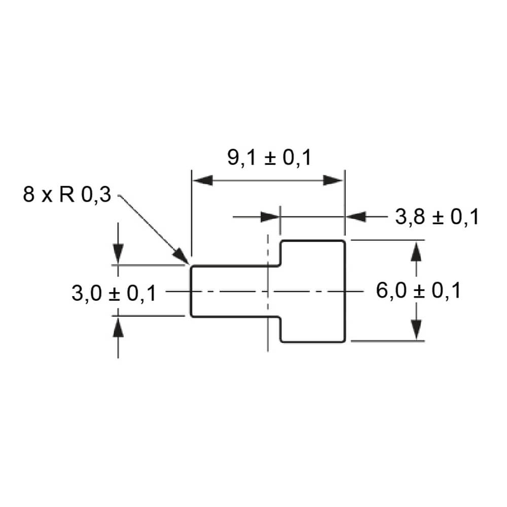
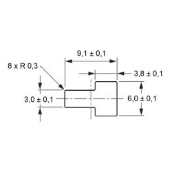
Technische Zeichnungen

Abmessungen in mm

Produktvarianten

Typen, Maße und weitere Daten
Art.-Nr.TypA (mm)B (mm)Datenblatt
2202306RLSD-3V012,012,0 Anfrage
2202307RLSD-4V010,017,0 Anfrage

Produktneuheiten

Unsere Services

Sie wünschen Beratung?

Wir freuen uns, wenn Sie mit uns Kontakt aufnehmen. Wir unterstützen Sie gerne!


THORA ist ISO 9001:2015 zertifiziert!