oder

oder

« Zurück zur Übersicht
Flachbandkabelhalter-Typ-RFPC-25NV0B-Nylon-schwarz

RFPC-25NV0B Flachbandkabelhalter

Merkmale

  • Schiebe-Montage
  • von einer Seite montierbar und demontierbar
  • wiederverwendbar
  • für Leiterplattenstärke 0,8mm - 2,0mm
  • Material: Nylon 66, UL94V-0
  • Farbe: schwarz

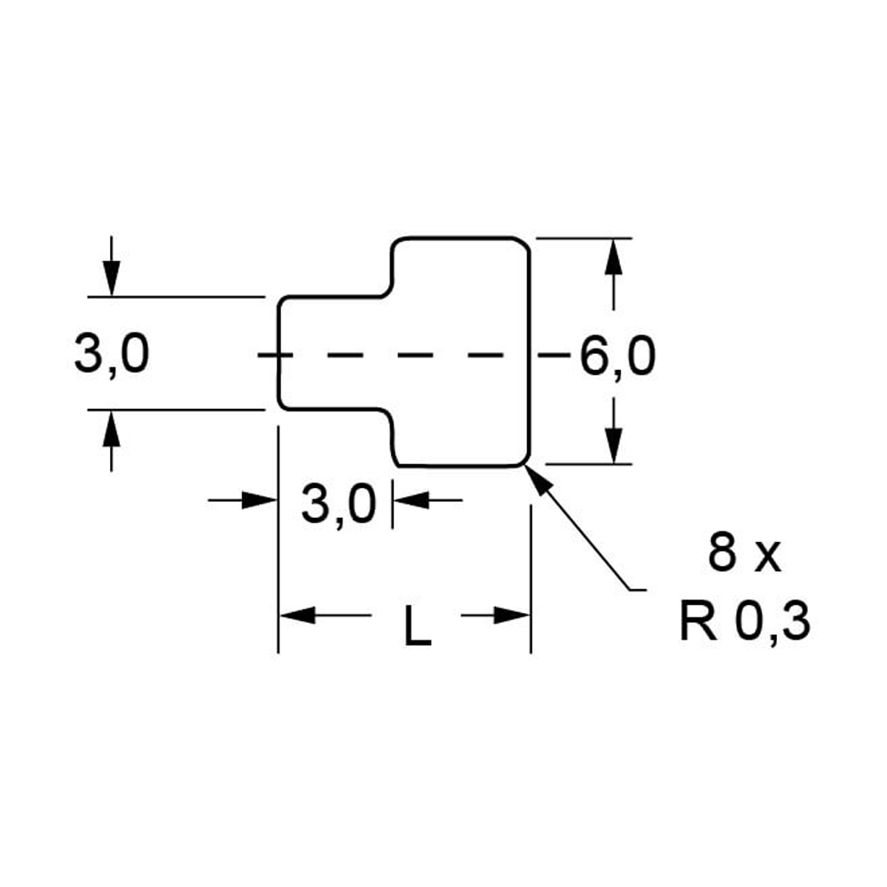
Technische Zeichnungen

Abmessungen in mm

Produktvarianten

Typen, Maße und weitere Daten
Art.-Nr.TypDatenblatt
2211503RFPC-25NV0B Anfrage
Gehäusestärke / Montageloch
Gehäusestärke (mm)L (mm)
0,8 - 1,06,3
1,0 - 1,26,4
1,2 - 1,66,5
1,6 - 1,86,6
1,8 - 2,06,7

Produktneuheiten

Unsere Services

Sie wünschen Beratung?

Wir freuen uns, wenn Sie mit uns Kontakt aufnehmen. Wir unterstützen Sie gerne!


THORA ist ISO 9001:2015 zertifiziert!