oder

oder

« Zurück zur Übersicht
Rotationsdaempfer-Typ-RD-CA6

RD-CA6 Rotationsdämpfer

Merkmale

  • Rotationsdämpfer mit Ritzel, Modul 0,8 mit 10 Zähnen und 3,5mm Höhe
  • Drehmomente: 0,12Ncm bis 2,20Ncm
    (nach 20 U/min. bei 20°C → siehe Tabelle)
  • Befestigung mittels Schrauben oder Spreiznieten
  • Gehäuse ultraschallverschweißt
  • Lebensdauer: 100.000 Zyklen (1 Zyklus = 1x vorwärts 150mm, 1x rückwärts 150mm ohne Pause bei 200 U/min.)
  • Temperaturbereich: -40°C bis +90°C
  • Material:
    – Ritzel und Rotor: POM
    – Basis: PA66 GF13
    – Becher: PA66
    – O-Ring: Silikon
    – Flüssigkeit: Silikonöl
  • Farbe: schwarz
  • andere Drehmomente, Farben und Ausführungen mit Freilauf auf Anfrage

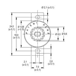
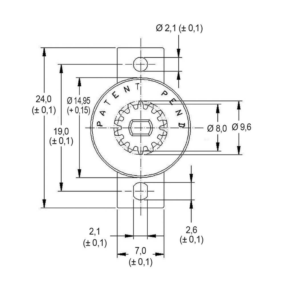
Technische Zeichnungen

Abmessungen in mm

Produktvarianten

Typen, Maße und weitere Daten
Art.-Nr.TypFarbkennzeichnungDrehmomentDatenblatt
17119012RD-CA6-012beige0,12 Ncm±0,07 Anfrage
17119025RD-CA6-025gelb0,25 Ncm±0,08 Anfrage
17119030RD-CA6-030grün0,30 Ncm±0,10 Anfrage
17119045RD-CA6-045braun0,45 Ncm±0,12 Anfrage
17119060RD-CA6-060schwarz0,60 Ncm±0,17 Anfrage
17119095RD-CA6-095rot0,95 Ncm±0,18 Anfrage
17119110RD-CA6-110grau1,10 Ncm±0,20 Anfrage
17119120RD-CA6-120blau1,20 Ncm±0,20 Anfrage
17119150RD-CA6-150pink1,50 Ncm±0,25 Anfrage
17119220RD-CA6-220orange2,20 Ncm±0,35 Anfrage

Produktneuheiten

Unsere Services

Sie wünschen Beratung?

Wir freuen uns, wenn Sie mit uns Kontakt aufnehmen. Wir unterstützen Sie gerne!


THORA ist ISO 9001:2015 zertifiziert!