+49 9852 / 61079 0
Merkmale
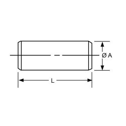
| Art.-Nr. | Material | Typ | ØA (mm) | L (mm) | Datenblatt | |
|---|---|---|---|---|---|---|
| 6035041 | T39 | R1,0x6,5 | 1,0 | 6,5 | Anfrage | |
| 6035042 | T29 | R1,0x10,0 | 1,0 | 10,0 | Anfrage | |
| 6035001 | T2 | R1,65x14,0 | 1,65 | 14,0 | Anfrage | |
| 6035004 | T40 | R1,9x6,5 | 1,9 | 6,5 | Anfrage | |
| 6035040 | T39 | R3,3x16,0 | 3,3-0,2 | 16,0±0,3 | Anfrage | |
| 6035002 | T19 | R4,0x15,0 | 4,0 | 15,0 | Anfrage | |
| 6035027 | T39 | R4,0x20,0 | 4,0-0,3 | 20,0±0,5 | Anfrage | |
| 6035034 | T39 | R4,9x20,0 | 4,9-0,2 | 20,0-0,9 | Anfrage | |
| 6035012 | T29 | R5,0x15,0 | 5,0 | 15,0 | Anfrage | |
| 6035014 | T30 | R5,0x25,0 | 5,0 | 25,0 | Anfrage | |
| 6035043 | T39 | R5,5x29,0 | 5,5-0,2 | 29,0-0,5 | Anfrage | |
| 6035017 | T39 | R6,0x25,0 | 6,0 | 25,0 | Anfrage | |
| 6035019 | T30 | R6,0x38,0 | 6,0 | 38,0 | Anfrage |
| Eigenschaft Einheit Symbol | Frequenz (REF) MHz F | Anfangspermeabilität ±25% µiac | Curie-Temperatur °C TC | spezifisches Gewicht g/gm³ d | Verlustfaktor @MHz x10-6 MHz tan δ / µiac | Temperaturkoeffizient der Anfangspermeabilität x10-6 / °C αµiγ |
|---|---|---|---|---|---|---|
| T2 | 0,01 - 0,5 | 1.500 | >100 | 4,7 | <75 0,5 | 0,0 - 3,0 |
| T1 | 0,1 - 1,0 | 700 | >140 | 4,8 | <250 1,0 | 0,0 - 70,0 |
| T19 | 0,3 - 7,0 | 200 | >250 | 4,7 | <350 7,0 | 19,0 - 32,0 |
| T24 | 3,0 - 80,0 | 25 | >350 | 4,7 | <400 80,0 | 50,0 - 70,0 |
| T29 | 0,1 - 1,1 | 850 | >140 | 4,8 | <270 1,0 | 2,0 - 5,0 |
| T30 | 0,1 - 1,0 | 1.000 | >130 | 4,8 | <280 1,0 | 2,0 - 5,0 |
| T36 | 0,5 - 20,0 | 55 | >300 | 4,5 | <100 20,0 | 5,5 -15,0 |
| T39 | 0,1 - 2,0 | 250 | >200 | 4,7 | <110 2,0 | 3,0 - 10,0 |
| T40 | 0,5 - 30,0 | 50 | >300 | 4,8 | <280 30,0 | 25,0 - 65,0 |
Anwendungsbereiche:
Wir freuen uns, wenn Sie mit uns Kontakt aufnehmen. Wir unterstützen Sie gerne!