oder

oder

« Zurück zur Übersicht
Push-Push-Typen-DL-TDT-hoerbarer-Rastverschluss-schwarz

Push-Push

Merkmale

  • Schließen und Öffnen erfolgt durch jeweiliges Andrücken
  • hörbarer Rastverschluss
  • Öffnungs-/Schließkraft: 5 N
  • Temperaturbereich: -30°C bis +80°C
  • Material:
    – Kunststoffteile: POM bzw. PA66
    – Metallteile: Typ DL = SUS, Typ TDT-4 = PC
  • Farbe: schwarz
  • weitere Abmessungen und Ausführungen auf Anfrage

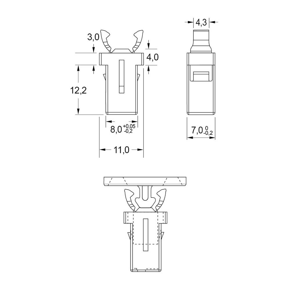
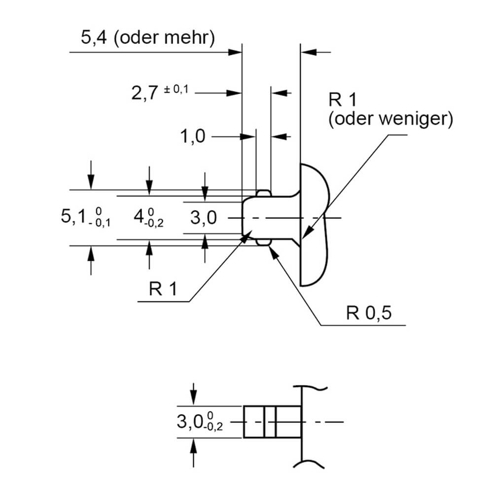
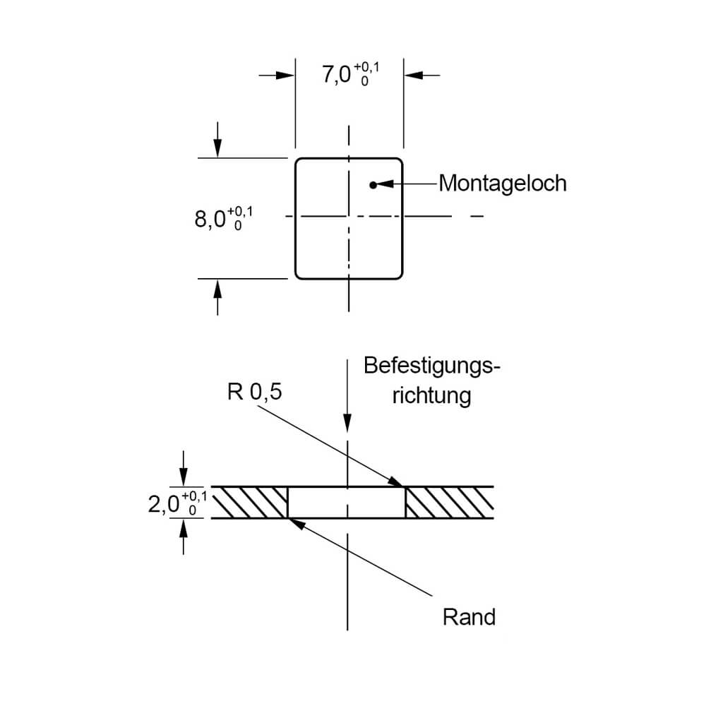
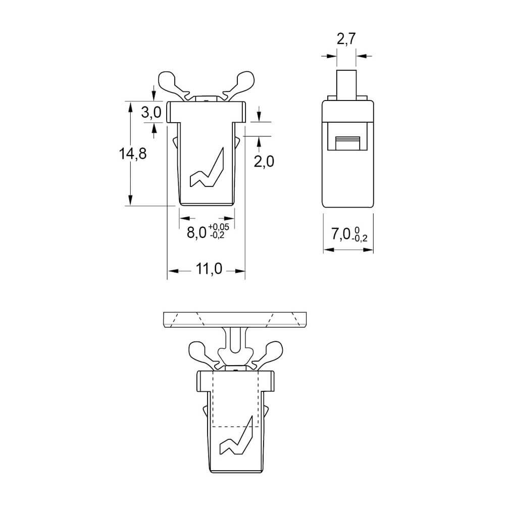
Technische Zeichnungen

Abmessungen in mm

Produktvarianten

Typen, Maße und weitere Daten
Art.-Nr.TypDatenblatt
1709001DL Anfrage
1709002TDT-4 Anfrage

Produktneuheiten

Unsere Services

Sie wünschen Beratung?

Wir freuen uns, wenn Sie mit uns Kontakt aufnehmen. Wir unterstützen Sie gerne!


THORA ist ISO 9001:2015 zertifiziert!