oder

oder

« Zurück zur Übersicht
Powerelement-Typ-PE-SM-H-SMT-90-Grad-Messing

PE-SM-H Powerelemente

Merkmale

  • zur 90°-Montage auf Leiterplatten, Gehäusen oder Frontplatten
  • zum Löten in SMT, lose oder geblistert für automatische Montage
  • hohe mechanische Kräfte und Drehmomente
  • geringer Platzbedarf der Lötfläche
  • Material: Messing verzinnt
  • Stärke Lötpaste: 120µm
  • Hitzebeständigkeit: -55°C bis +150°C
  • Verpackung: lose, Tape and Reel

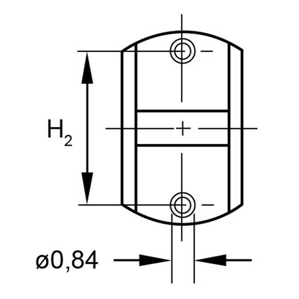
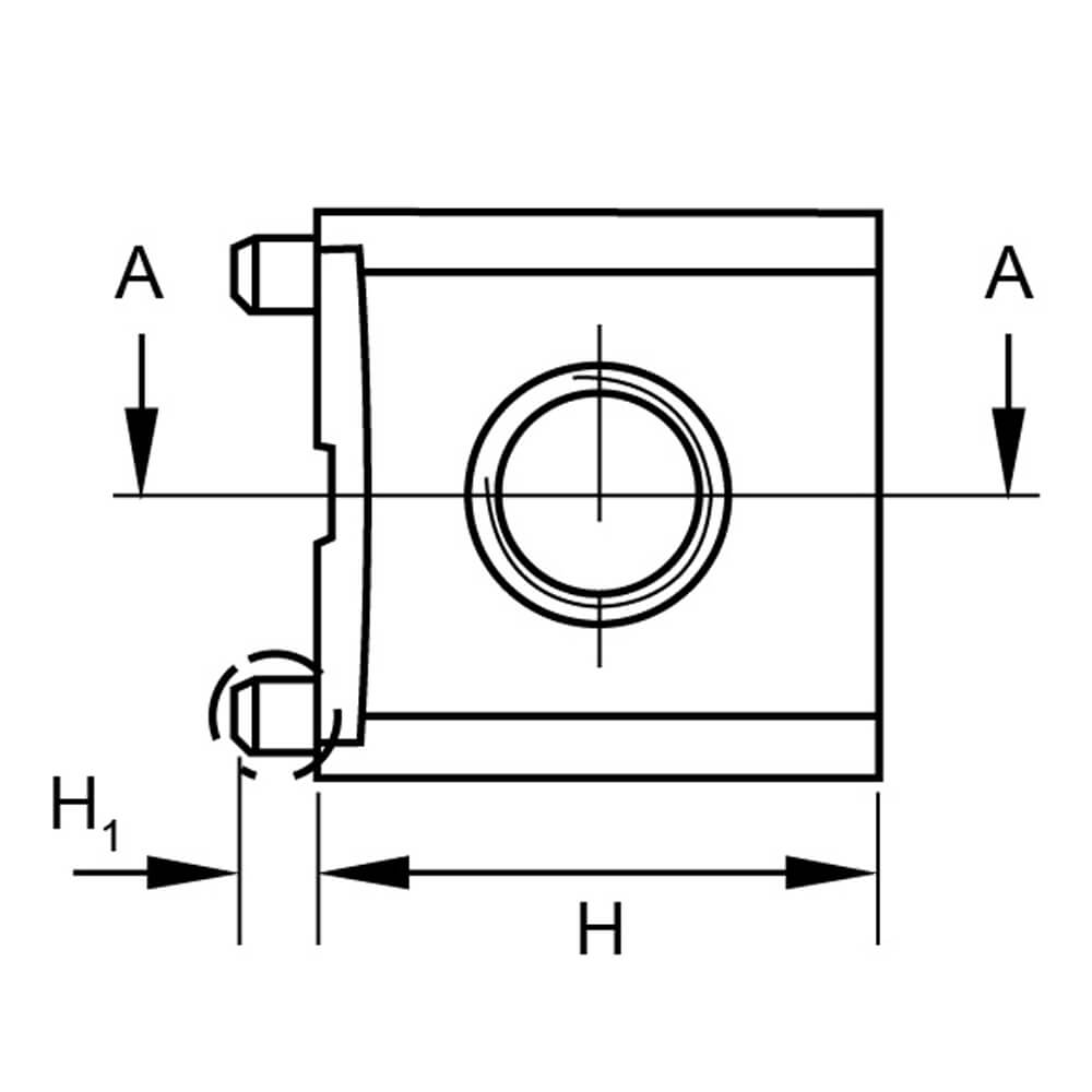
Technische Zeichnungen

Abmessungen in mm

Produktvarianten

Typen, Maße und weitere Daten
Art.-Nr.TypM / Øf (mm)L (mm)W (mm)H (mm)H1 (mm)H2 (mm)IR (A)AnzugsdrehmomentDatenblatt
3043307SMHPE-SM-H-3,3x7Ø3,35,54,337,01,05,5450- Anfrage
3040307SMHPE-SM-H-M3x7M35,54,337,01,05,54500,4 Nm Anfrage

Produktneuheiten

Unsere Services

Sie wünschen Beratung?

Wir freuen uns, wenn Sie mit uns Kontakt aufnehmen. Wir unterstützen Sie gerne!


THORA ist ISO 9001:2015 zertifiziert!