oder

oder

« Zurück zur Übersicht
Powerelement-Typ-PE-LR-Einpresstechnologie-90-Grad-Messing

PE-LR Powerelemente

Merkmale

  • zum Einpressen in die Leiterplatte
  • Übertragung von Strömen bis 340A
  • als Befestigung von Kabeln auf Leiterplatte
  • Material: Messing verzinnt
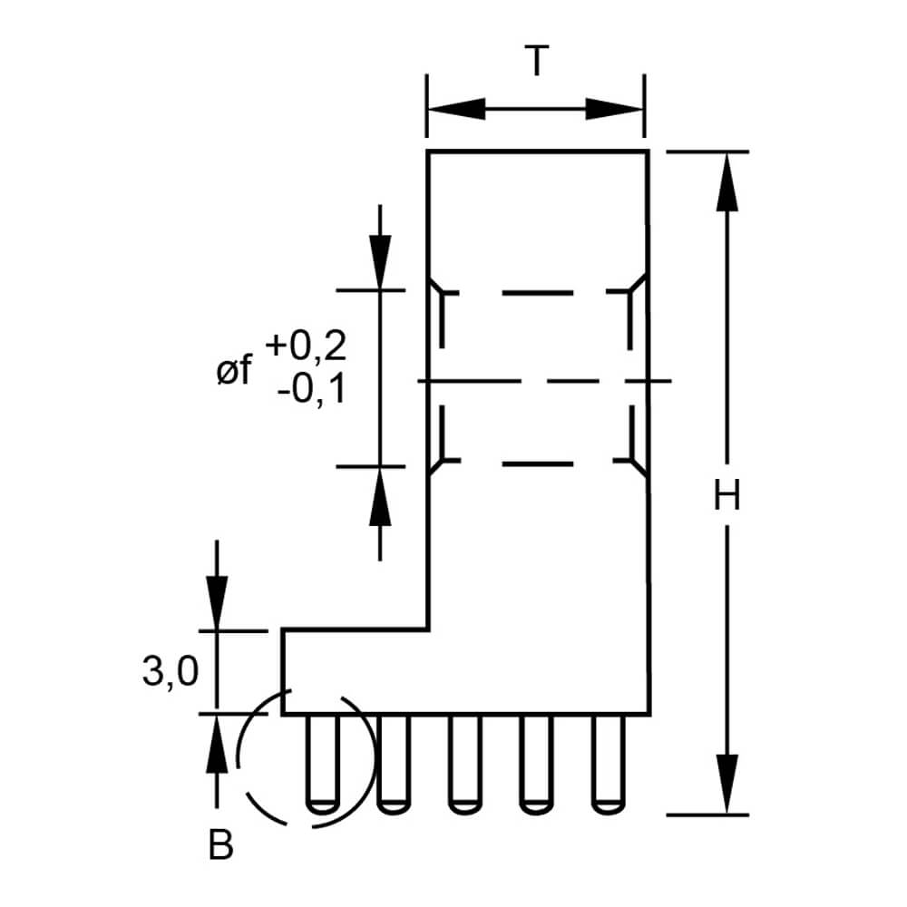
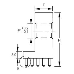
  • Bohrlochdurchmesser: 1,6mm
  • Endlochdurchmesser: 1,475mm
  • Hitzebeständigkeit: -55°C bis +150°C
  • Auszugskraft: nach IEC 352-5
  • andere Größen und Ausführungen auf Anfrage

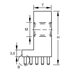
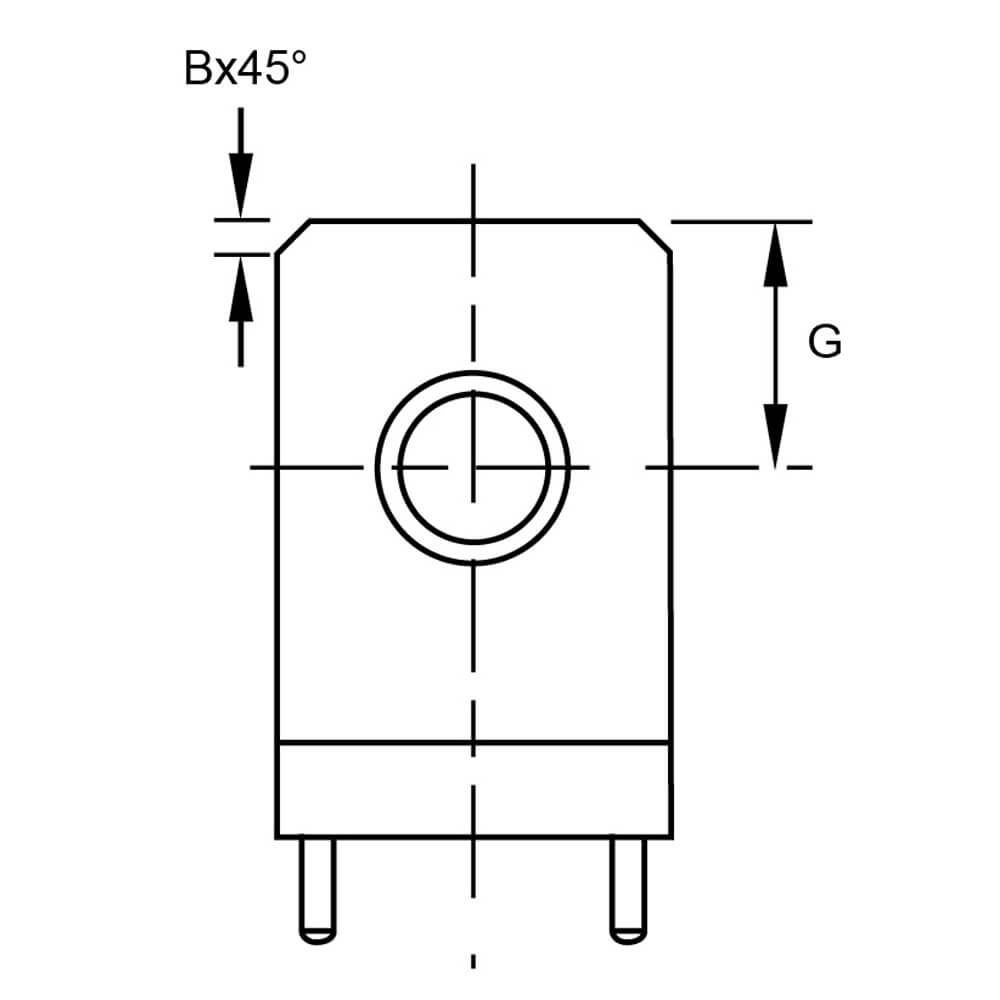
Technische Zeichnungen

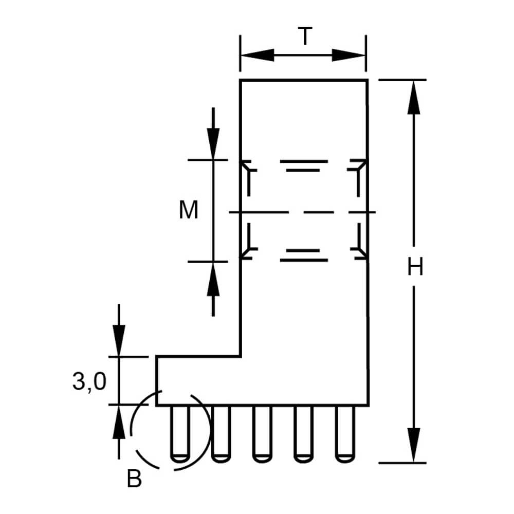
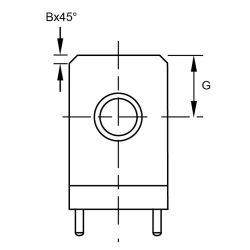
Abmessungen in mm

Produktvarianten

Typen, Maße und weitere Daten
Art.-Nr.TypM / Øf (mm)B (mm)H (mm)T (mm)G (mm)L (mm)Anzahl PinsIR (A)AnzugsdrehmomentDatenblatt
30403175LRPE-LR-M3x17,5M31,017,53,85,07,061000,5 Nm Anfrage
30404175LRPE-LR-M4x17,5M41,517,55,05,09,081601,2 Nm Anfrage
30405175LRPE-LR-M5x17,5M51,517,55,05,09,081602,2 Nm Anfrage
30406235LRPE-LR-M6x23,5M62,023,58,08,013,0102403,9 Nm Anfrage
30408235LRPE-LR-M8x23,5M82,023,58,08,013,0102409,0 Nm Anfrage
30410285LRPE-LR-M10x28,5M102,528,510,010,016,01234017,0 Nm Anfrage
30432175LRPE-LR-3,2x17,5Ø3,21,017,53,85,07,061000,5 Nm Anfrage
30442175LRPE-LR-4,2x17,5Ø4,21,517,55,05,09,081601,2 Nm Anfrage
30452175LRPE-LR-5,2x17,5Ø5,21,517,55,05,09,081602,2 Nm Anfrage
30462235LPE-LR-6,2x23,5Ø6,22,023,58,08,013,0102403,9 Nm Anfrage
30482235LRPE-LR-8,2x23,5Ø8,22,023,58,08,013,0102409,0 Nm Anfrage
304102285LRPE-LR-10,2x28,5Ø10,22,528,510,010,016,01234017,0 Nm Anfrage

Produktneuheiten

Unsere Services

Sie wünschen Beratung?

Wir freuen uns, wenn Sie mit uns Kontakt aufnehmen. Wir unterstützen Sie gerne!


THORA ist ISO 9001:2015 zertifiziert!