oder

oder

« Zurück zur Übersicht
Powerelement-Typ-PE-LFP-Einpresstechnologie-90-Grad-Messing

PE-LFP Powerelemente

Merkmale

  • zum Einpressen in die Leiterplatte
  • Übertragung von Strömen bis 340A
  • als Befestigung von Kabeln auf Leiterplatte
  • Material: Messing verzinnt
  • Bohrlochdurchmesser: 1,6mm
  • Endlochdurchmesser: 1,475mm
  • Hitzebeständigkeit: -55°C bis +150°C
  • Auszugskraft: nach IEC 352-5
  • andere Größen und Ausführungen auf Anfrage

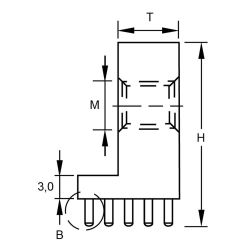
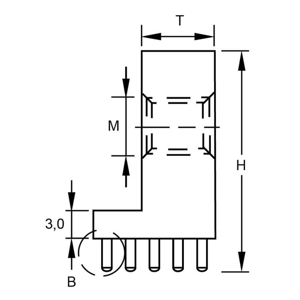
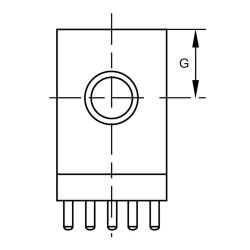
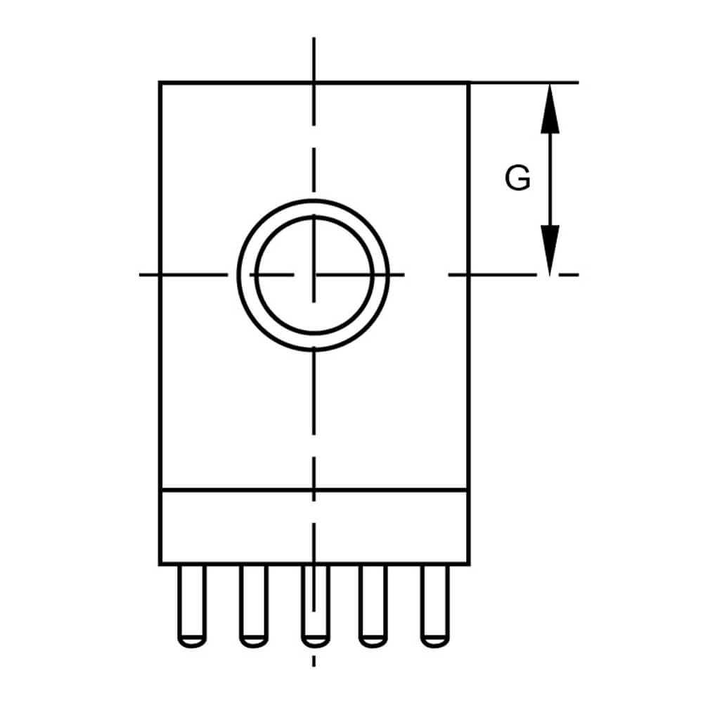
Technische Zeichnungen

Abmessungen in mm

Produktvarianten

Typen, Maße und weitere Daten
Art.-Nr.TypM / Øf (mm)H (mm)T (mm)G (mm)L (mm)Anzahl PinsIR (A)AnzugsdrehmomentDatenblatt
30403175LPE-LFP-M3x17,5M317,54,05,07,091300,5 Nm Anfrage
30404175LPE-LFP-M4x17,5M417,55,05,09,0161801,2 Nm Anfrage
30405175LPE-LFP-M5x17,5M517,55,05,09,0161802,2 Nm Anfrage
30406175LPE-LFP-M6x17,5M617,55,05,09,0161802,2 Nm Anfrage
30406235LPE-LFP-M6x23,5M623,58,08,013,0252503,9 Nm Anfrage
30408235LPE-LFP-M8x23,5M823,58,08,013,0252509,0 Nm Anfrage
30410285LPE-LFP-M10x28,5M1028,510,010,016,03634017,0 Nm Anfrage
30432175LPE-LFP-3,2x17,5Ø3,217,54,05,07,091300,5 Nm Anfrage
30442175LPE-LFP-4,2x17,5Ø4,217,55,05,09,0161801,2 Nm Anfrage
30452175LPE-LFP-5,2x17,5Ø5,217,55,05,09,0161802,2 Nm Anfrage
30462235LPE-LFPx6,2x23,5Ø6,223,58,08,013,0252503,9 Nm Anfrage

Produktneuheiten

Unsere Services

Sie wünschen Beratung?

Wir freuen uns, wenn Sie mit uns Kontakt aufnehmen. Wir unterstützen Sie gerne!


THORA ist ISO 9001:2015 zertifiziert!