oder

oder

« Zurück zur Übersicht
Erdungsschelle-Typ-NK-NS-Nylon-Silber

NK-NS Erdungsschelle

Merkmale

  • bestens geeignet zur Befestigung und Kontaktierung des Schirms von geschirmten Leitungen auf geerdeten Teilen
  • ideale Anpassung der Schelle an den zu erdenden Kabelschirm durch hervorragende Elastizität → keine Beschädigung des Schirms
  • Temperatureinsatzbereich: -20ºC bis +65ºC
  • Oberflächenwiderstand: max. 0,08 Ω
  • Material:
    – Schelle: Nylon 6.6
    – Kontaktmaterial: Cu-Ni, bei Typ NK-1NS: Ag
  • weitere Abmessungen auf Anfrage

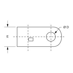
Technische Zeichnungen

Abmessungen in mm

Produktvarianten

Typen, Maße und weitere Daten
Art.-Nr.TypØA (mm)B (mm)C (mm)ØD (mm)E (mm)T (mm)Kabel-Ø (mm)Datenblatt
2200901SNK-1NS1,66,75,63,29,51,51,6 Anfrage
2200902SNK-2NS4,09,44,54,39,00,93,4 Anfrage
2200903SNK-3NS5,611,04,84,39,61,04,9 Anfrage
2200904SNK-4NS6,811,04,84,39,61,05,8 Anfrage
2200905SNK-5NS8,611,84,84,39,61,07,7 Anfrage
2200906SNK-6NS11,012,64,84,39,61,09,9 Anfrage
2200907SNK-7NS12,213,44,84,39,61,010,7 Anfrage
2200908SNK-8NS13,414,24,84,39,61,011,8 Anfrage
2200910SNK-10NS15,415,85,14,310,21,014,1 Anfrage
2200912SNK-12NS20,018,16,64,313,21,818,4 Anfrage
2200914SNK-14NS22,519,76,45,112,81,820,0 Anfrage
2200916SNK-16NS26,021,06,45,112,81,823,8 Anfrage

Produktneuheiten

Unsere Services

Sie wünschen Beratung?

Wir freuen uns, wenn Sie mit uns Kontakt aufnehmen. Wir unterstützen Sie gerne!


THORA ist ISO 9001:2015 zertifiziert!