oder

oder

« Zurück zur Übersicht
Leitungshalter-mit Rastfuss-Typ-MWS-Nylon-natur

MWS Leitungshalter

Merkmale

  • mit Rastfuß
  • Material: Nylon 66, UL94V-2 (auch in UL94V-0 erhältlich)
  • Farbe: natur
  • weitere Abmessungen und Größen auf Anfrage

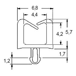
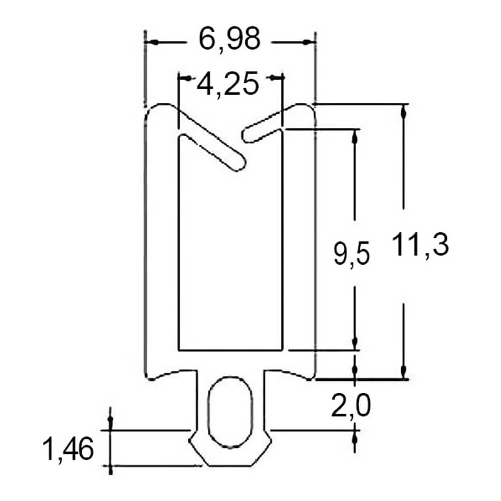
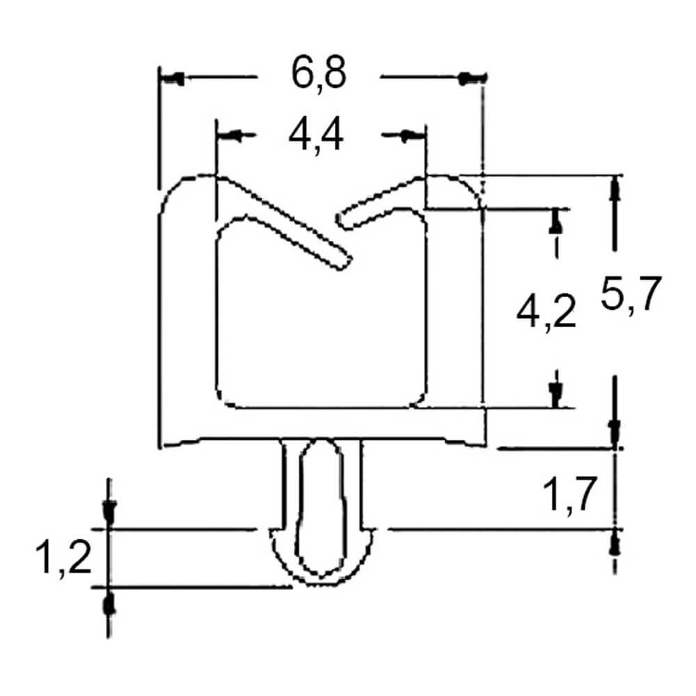
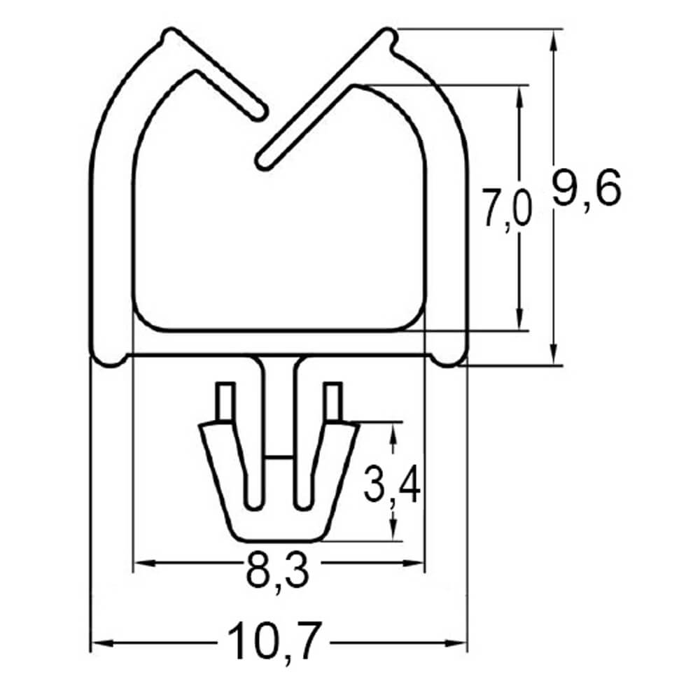
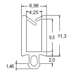
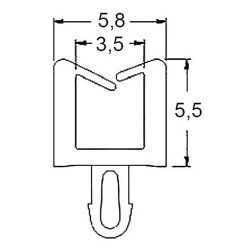
Technische Zeichnungen

Abmessungen in mm

Produktvarianten

Typen, Maße und weitere Daten
Art.-Nr.TypLoch-Ø (mm)Plattenstärke (mm)Datenblatt
2221410MWS-082,01,6 - 1,8 Anfrage
2221414MWS-161,751,6 Anfrage
2221413MWS-242,82,0 Anfrage
2221408MWS-171,751,6 Anfrage
2221415MWS-153,01,6 Anfrage

Produktneuheiten

Unsere Services

Sie wünschen Beratung?

Wir freuen uns, wenn Sie mit uns Kontakt aufnehmen. Wir unterstützen Sie gerne!


THORA ist ISO 9001:2015 zertifiziert!