oder

oder

« Zurück zur Übersicht
verschiedene-Leiterplattenkontakte-Typ-LKS-Titan-Kupfer-Legierung

LKS Leiterplattenkontakte

Merkmale

  • Leiterplattenkontakte zur Masse- / Erdungs- / ESD-Anbindung
  • für SMT-Bestückung
  • Materialstärke: siehe Tabelle
  • Material: Titan-Kupfer-Legierung
  • komplette Oberfläche: 0,5µm - 1,0µm vernickelt
  • Kontakt- und Lötflächen: 0,03µm versilbert

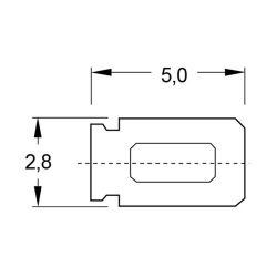
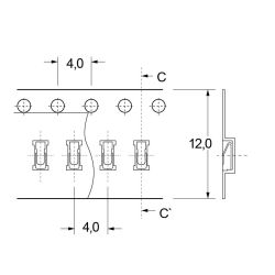
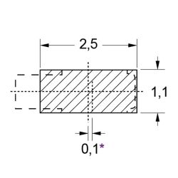
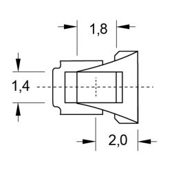
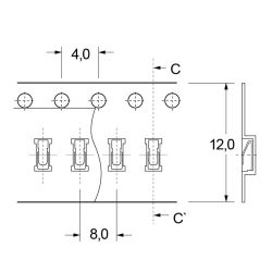
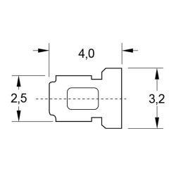
Technische Zeichnungen

für Typ LKS-1113
für Typ LKS-1511
für Typ LKS-2024
für Typ LKS-3022
für Typ LKS-3028
für Typ LKS-4032

Produktvarianten

Typen, Maße und weitere Daten
Art.-Nr.TypLänge (mm)Breite (mm)Höhe (mm)Materialstärke (mm)Federbereich (mm)Datenblatt
6110601LKS-11133,01,31,10,080,65 - 0,9 Anfrage
6110602LKS-15113,01,11,50,081,15 - 1,35 Anfrage
6110603LKS-20244,52,42,00,101,4 - 1,8 Anfrage
6110604LKS-30222,82,23,00,082,2 - 2,6 Anfrage
6110605LKS-30285,02,83,00,082,1 - 2,6 Anfrage
6110606LKS-40324,03,24,00,102,8 - 3,6 Anfrage

Produktneuheiten

Unsere Services

Sie wünschen Beratung?

Wir freuen uns, wenn Sie mit uns Kontakt aufnehmen. Wir unterstützen Sie gerne!


THORA ist ISO 9001:2015 zertifiziert!