oder

oder

« Zurück zur Übersicht
Kabelhalter-Typen-KH-05-KH-08-KH-15-WCL-9-Nylon-natur

KH + WCL Kabelhalter

Merkmale

  • Klebemontage
  • Material: Nylon 66, UL94V-2
  • Farbe: natur

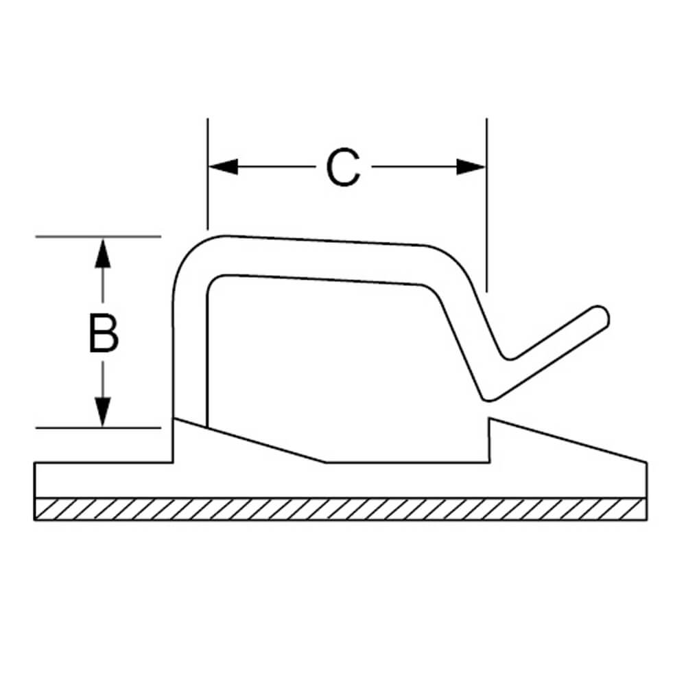
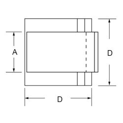
Technische Zeichnungen

für Typ KH-05
für Typ KH-08
für Typ KH-15
für Typ WCL-9

Produktvarianten

Typen, Maße und weitere Daten
Art.-Nr.TypA (mm)B (mm)C (mm)D (mm)Datenblatt
2201603KH-0510,05,06,019,0 Anfrage
2201604KH-0812,38,012,026,0 Anfrage
2201605KH-1516,015,018,026,0 Anfrage
2201609WCL-912,77,611,625,2 Anfrage

Produktneuheiten

Unsere Services

Sie wünschen Beratung?

Wir freuen uns, wenn Sie mit uns Kontakt aufnehmen. Wir unterstützen Sie gerne!


THORA ist ISO 9001:2015 zertifiziert!