oder

oder

« Zurück zur Übersicht
Abschirmclips-Typ-HWN

HWN Abschirmclip

Merkmale

  • Clip zur Aufnahme von Abschirmhauben (wie z.B. Typ SA-5F-SMT oder individuelle Lösungen)
  • ermöglicht einfaches Entfernen und wieder Aufstecken der Abschirmhaube, um Service bzw. Nacharbeiten der zu schirmenden Bauteile durchführen zu können
  • schnelle und variable SMD-Bestückung
  • für Haubenstärke 0,13mm - 1,0mm
  • Material: Kupfer-Beryllium, verzinnt
  • Lieferform: lose oder Tape and Reel (Ø = 330mm)

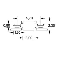
Technische Zeichnungen

für Typ HWN-S
für Typ HWN-M und HWN-L

Produktvarianten

Typen, Maße und weitere Daten
Art.-Nr.TypA (mm)für Haubenstärke (mm)max. Einsteckkraftmax. Auszugskraftmax. KontaktwiderstandRollengröße (Stck.)Datenblatt
6220108HWN-S-0,13 - 0,235,0 N (bei S = 0,17)0,3 N40 mΩ5.000 Anfrage
6220109HWN-M2,20,30 - 0,503,0 N (bei S = 0,30)1,0 N20 mΩ1.900 Anfrage
6220110HWN-L2,60,70 - 1,03,0 N (bei S = 0,70)1,0 N20 mΩ1.900 Anfrage

Produktneuheiten

Unsere Services

Sie wünschen Beratung?

Wir freuen uns, wenn Sie mit uns Kontakt aufnehmen. Wir unterstützen Sie gerne!


THORA ist ISO 9001:2015 zertifiziert!