oder

Individuelle Beratung
Mo. bis Do. 8:00 - 16:30 Uhr
Fr. 8:00 - 12:00 Uhr

oder

« Zurück zur Übersicht
Kantenschutz-Typ-EL-Nylon-natur

EL Kantenschutz

Merkmale

  • schützt Kabel, Schläuche und Leitungen vor scharfen Kanten
  • Material: Nylon 6, UL94V-2
  • Farbe: natur
  • VPE = 100m

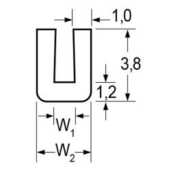
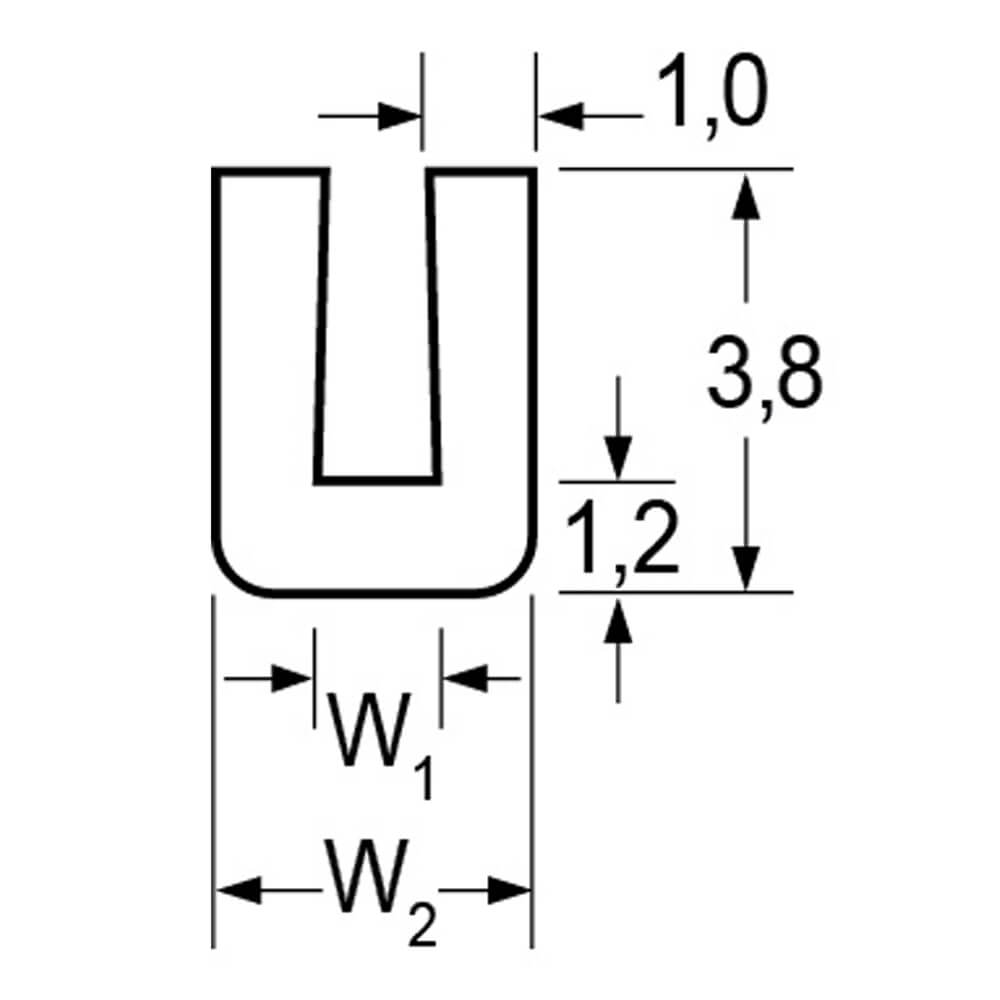
Technische Zeichnungen

Abmessungen in mm

Produktvarianten

Typen, Maße und weitere Daten
Art.-Nr.TypW1 (mm)W2 (mm)Plattenstärke (mm)Datenblatt
2500160EL-101,23,21,0 Anfrage
2500161EL-121,43,41,2 Anfrage
2500162EL-161,83,81,6 Anfrage
2500163EL-242,64,62,3 Anfrage
2500164EL-323,45,43,2 Anfrage

Produktneuheiten

Unsere Services

Sie wünschen Beratung?

Wir freuen uns, wenn Sie mit uns Kontakt aufnehmen. Wir unterstützen Sie gerne!


THORA ist ISO 9001:2015 zertifiziert!