oder

oder

« Zurück zur Übersicht
Blindmutter-Typ-BM-EPDM-Edelstahl

BM Blindmutter

Merkmale

  • elastische Schraubverbindung für empfindliche Werkstoffe
  • schwingungsdämpfend
  • elektrisch isolierend
  • zuverlässiger Sitz, auch bei problematischen Verschraubungen (z.B. Hart-Weich-Verbindungen)
  • auch für Sacklochbohrungen geeignet
  • Temperaturbereich: -30°C bis +80°C
  • Material:
    – Nietkörper: EPDM
    – Gewindeeinsatz: Edelstahl
  • Farbe: schwarz
  • weitere Abmessungen und Größen auf Anfrage

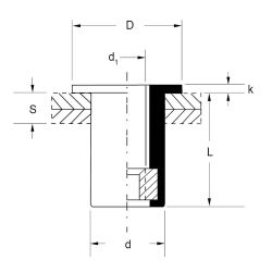
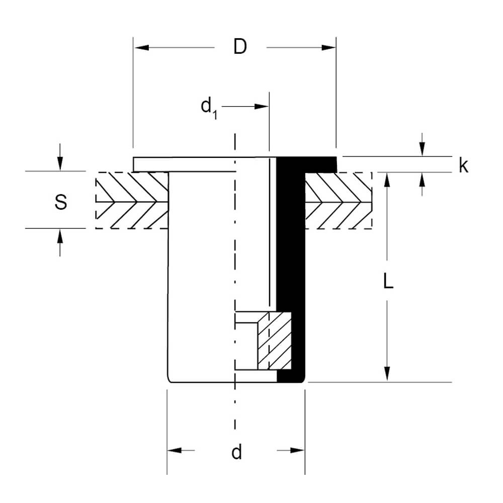
Technische Zeichnungen

Abmessungen in mm

Produktvarianten

Typen, Maße und weitere Daten
Art.-Nr.Typd1 (mm)Klemmbereich S (mm)Bohrloch-Ø (mm)d (mm)D (mm)k (mm)L (mm)Anzugsdrehmoment (Nm)Datenblatt
1700001BM-M3M30,4 - 4,08,07,911,01,211,40,25 - 0,50 Anfrage
1700002BM-M4M40,4 - 4,08,07,911,01,211,40,25 - 0,39 Anfrage
1700003BM-M5M50,4 - 4,99,79,612,70,913,20,34 - 0,50 Anfrage
1700004BM-M5/1M50,8 - 5,89,79,619,02,016,00,29 - 0,69 Anfrage
1700005BM-M5/2M50,85 - 5,99,79,614,01,016,00,29 - 0,69 Anfrage
1700006BM-M6M60,4 - 4,012,812,716,01,314,70,59 - 0,98 Anfrage
1700007BM-M6/1M60,8 - 4,712,812,719,14,816,350,78 - 0,98 Anfrage
1700008BM-M6/2M66,4 - 11,512,812,716,32,024,70,78 - 0,98 Anfrage
1700009BM-M8M80,4 - 4,016,015,921,53,215,10,98 - 1,47 Anfrage

Handling

Anleitung

Produktneuheiten

Unsere Services

Sie wünschen Beratung?

Wir freuen uns, wenn Sie mit uns Kontakt aufnehmen. Wir unterstützen Sie gerne!


THORA ist ISO 9001:2015 zertifiziert!