oder

Individuelle Beratung
Mo. bis Do. 8:00 - 16:30 Uhr
Fr. 8:00 - 12:00 Uhr

oder

« Zurück zur Übersicht
Befestigungselement-vierkant-mit-Querbohrungen-und-Innengewinde

Befestigungselemente

Merkmale

  • Befestigungselemente
  • 4-Kant mit Querbohrungen und Innengewinde
  • Material: Messing, vernickelt

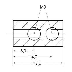
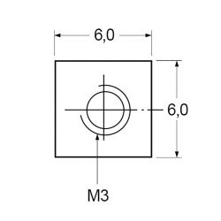
Technische Zeichnungen

Abmessungen in mm

Produktvarianten

Typen, Maße und weitere Daten
Art.-Nr.Gesamtlänge (mm)Kantenlänge (mm)GewindegrößeDatenblatt
169011017,06,03 x M3 Anfrage

Produktneuheiten

Unsere Services

Sie wünschen Beratung?

Wir freuen uns, wenn Sie mit uns Kontakt aufnehmen. Wir unterstützen Sie gerne!


THORA ist ISO 9001:2015 zertifiziert!