oder

Individuelle Beratung
Mo. bis Do. 8:00 - 16:30 Uhr
Fr. 8:00 - 12:00 Uhr

oder

« Zurück zur Übersicht
Befestigungselemente-vierkant-mit-Bohrungen

Befestigungselemente

Merkmale

  • Befestigungselemente
  • 4-Kant mit Querbohrungen und Innengewinde
  • Material: Messing vernickelt

Technische Zeichnungen und Produktbilder

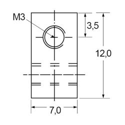
Art.-Nr. 169 01 07
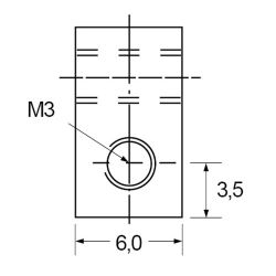
Art.-Nr. 169 01 09

Produktvarianten

Typen, Maße und weitere Daten → Art.-Nr. 169 01 07
Art.-Nr.Gesamtlänge (mm)Breite (mm)Höhe (mm)GewindegrößeDatenblatt
169010712,07,06,02x M3 Anfrage
Typen, Maße und weitere Daten → Art.-Nr. 169 01 09
Art.-Nr.Gesamtlänge (mm)Kantenlänge (mm)GewindegrößeDatenblatt
16901096,55,02x M2,5 Anfrage

Produktneuheiten

Unsere Services

Sie wünschen Beratung?

Wir freuen uns, wenn Sie mit uns Kontakt aufnehmen. Wir unterstützen Sie gerne!


THORA ist ISO 9001:2015 zertifiziert!