oder

oder

« Zurück zur Übersicht
Abstandsbolzen-Innengewinde-Außengewinde-selbstschneidend-Stahl

ABS-IA-M4-ST4,2 - SW7 Abstandsbolzen

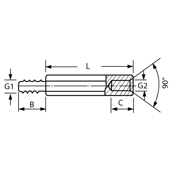
Merkmale

  • 6-kant Abstandsbolzen mit M4 Innen- und selbstschneidendem ST4,2 Außengewinde
  • Schlüsselweite (SW) 7
  • Außengewinde mit Hinterstich nach DIN76-B
  • Material: Stahl verzinkt

Technische Zeichnungen

Abmessungen in mm

Produktvarianten

Typen, Maße und weitere Daten
Art.-Nr.L (mm)C (mm)B (mm)G1 (mm)G2 (mm)d1 (mm)d2 (mm)Datenblatt
1070408ST4,28,05,08,0ST4,2M44,13,0 Anfrage
1070410ST4,210,06,08,0ST4,2M44,13,0 Anfrage
1070412ST4,212,07,08,0ST4,2M44,13,0 Anfrage
1070415ST4,215,010,08,0ST4,2M44,13,0 Anfrage
1070420ST4,220,010,08,0ST4,2M44,13,0 Anfrage
1070430ST4,230,010,08,0ST4,2M44,13,0 Anfrage
1070448ST4,248,010,08,0ST4,2M44,13,0 Anfrage

Produktneuheiten

Unsere Services

Sie wünschen Beratung?

Wir freuen uns, wenn Sie mit uns Kontakt aufnehmen. Wir unterstützen Sie gerne!


THORA ist ISO 9001:2015 zertifiziert!